Ihr hab über Tachos geredet. Ich möchte im Winter auf einen DIGI Tacho-umbauen. Hab an den kleinen Koso-Tacho gedacht. Habt ihr damit Erfahrungen???
CCM R30 Sportauspuff
Re: CCM R30 Sportauspuff
Soooo....jetzt hab ich endlich Zeit gehabt. Ich hab ja wie gesagt 15/43 drauf gemacht und bin damit dieses Wochenende rum geballert. Diese Übersetzung steht ihr wesentlich besser. Sie drückt mehr von unten und zieht auch über 100Km/h noch mal ganz gut bis 130Km/h. Aber bei 150Km/h (laut Tacho) ist dann definitiv Schluss. Ich denke dass das die passende Übersetzung für die CCM ist, kürzer wäre mir dann wahrscheinlich zu kurz. Und sie geht auch im zweiten noch hoch.
Ihr hab über Tachos geredet. Ich möchte im Winter auf einen DIGI Tacho-umbauen. Hab an den kleinen Koso-Tacho gedacht. Habt ihr damit Erfahrungen???
Ihr hab über Tachos geredet. Ich möchte im Winter auf einen DIGI Tacho-umbauen. Hab an den kleinen Koso-Tacho gedacht. Habt ihr damit Erfahrungen???
Re: CCM R30 Sportauspuff
Funktioniert problemlos, UPM können am Zündkabel abgenommen werden oder am Kabelbaum, für die Geschwindigkeit ein Hallgeber (ggf. dazukaufen), Lämpchen können direkt angeschlossen werden > siehe Schaltplan XF.
Ich habe einen kombinierten T&T verbaut.
Ich habe einen kombinierten T&T verbaut.
Mein XF650 Scrambler - Umbaublog >
http://www.Karasche.wordpress.com
http://www.Karasche.wordpress.com
Re: CCM R30 Sportauspuff
Ich hab den an den Lenker geklebt, in erster Linie weil die CCM keinen Tageszähler hat:
https://www.louis.de/artikel/sigma-mc-1 ... =112418828
Erfüllt seinen Zweck und funzt einwandfrei.
Eine andere Überlegung war einen Digi-Tacho in das original Halteblech zu verbauen, so was in der Art:
http://www.polo-motorrad.de/de/digital- ... -volt.html
Gibt´s von anderen Herstellern auch noch bissl schöner.
https://www.louis.de/artikel/sigma-mc-1 ... =112418828
Erfüllt seinen Zweck und funzt einwandfrei.
Eine andere Überlegung war einen Digi-Tacho in das original Halteblech zu verbauen, so was in der Art:
http://www.polo-motorrad.de/de/digital- ... -volt.html
Gibt´s von anderen Herstellern auch noch bissl schöner.
Aktuelle Bikes:
Triumph Speed Triple 955i T509
Triumph Speed Triple 1050 515NJ
Cagiva Raptor 1000
CCM R30 mit Speichenfelgen
CCM R30 mit Gussfelgen (noch Bastelbude)
Triumph Speed Triple 955i T509
Triumph Speed Triple 1050 515NJ
Cagiva Raptor 1000
CCM R30 mit Speichenfelgen
CCM R30 mit Gussfelgen (noch Bastelbude)
Re: CCM R30 Sportauspuff
Meine Überlegung war ähnlich... ich will mir ein flacheres Halteblech lasern und kanten.
In das Blech will ich dann den Koso (http://www.ebay.de/itm/like/40092804897 ... s&lpid=106)einsetzen.
So sollte die neue Maske (Polisport Halo) schön nah an die Gabel kommen, hoffe ich.
Ich hab nur Angst dass ich nicht alle Funktionen vernünftig angeschlossen bekomme.
Der original verbaute DZM ist defekt, deshalb hab ich mich zum Umbau entschieden.
Ist denn der Sigma-Tacho zulässig??? Da sind ja keine Kontrollleuchten vorhanden.
In das Blech will ich dann den Koso (http://www.ebay.de/itm/like/40092804897 ... s&lpid=106)einsetzen.
So sollte die neue Maske (Polisport Halo) schön nah an die Gabel kommen, hoffe ich.
Ich hab nur Angst dass ich nicht alle Funktionen vernünftig angeschlossen bekomme.
Der original verbaute DZM ist defekt, deshalb hab ich mich zum Umbau entschieden.
Ist denn der Sigma-Tacho zulässig??? Da sind ja keine Kontrollleuchten vorhanden.
Re: CCM R30 Sportauspuff
Der Sigma alleine nicht, der läuft bei unserer CCM ja nur mit.
Das anschließen eines Koso ist so kompliziert nicht, hab nen
ähnlichen an meiner DR ohne Drehzahlfunktion.
Das anschließen eines Koso ist so kompliziert nicht, hab nen
ähnlichen an meiner DR ohne Drehzahlfunktion.
Aktuelle Bikes:
Triumph Speed Triple 955i T509
Triumph Speed Triple 1050 515NJ
Cagiva Raptor 1000
CCM R30 mit Speichenfelgen
CCM R30 mit Gussfelgen (noch Bastelbude)
Triumph Speed Triple 955i T509
Triumph Speed Triple 1050 515NJ
Cagiva Raptor 1000
CCM R30 mit Speichenfelgen
CCM R30 mit Gussfelgen (noch Bastelbude)
Re: CCM R30 Sportauspuff
Du hast den Sigma nur als zweiten Tacho verbaut???
Ich möchte halt gern eine Drehzahlabnahme. Wie gesagt, der original verbaute DZM ist defekt. Das nervt mich. Deshalb werde ich umbauen.
Ich hab mal gehört dass man einen Fahrradtacho mit Beleuchtung verwenden darf. Die Kontrollleuchten muss man dann extra verbauen.
Ich möchte halt gern eine Drehzahlabnahme. Wie gesagt, der original verbaute DZM ist defekt. Das nervt mich. Deshalb werde ich umbauen.
Ich hab mal gehört dass man einen Fahrradtacho mit Beleuchtung verwenden darf. Die Kontrollleuchten muss man dann extra verbauen.
-
SupermotoFetischist
- Benutzer

- Beiträge: 25
- Registriert: 9. Apr 2021, 17:08
- Wohnort: Hoppegarten
Re: CCM R30 Sportauspuff
Hei Markus, ich habe ein Problem mit meinem Tacho, der Drehzahlmesser funktioniert nicht und meine Frage ist, von wo nimmt der Tacho die Drehzahl des Motors und wie repariere ich das ganz bzw was könnten die Ursachen sein?MaSc73 hat geschrieben: 12. Sep 2015, 15:07 Sorry Max, hab jetzt erst Zeit zum antworten gefunden.
Das G-Pack ist Schwachsinn...nur weil man RedBull säuft kann man dennoch nicht fliegen,
entgegen der Werbung.
Das XF-Steuergerät ist simpelste Schublade ohne großartigen Schnickschnack!
Da ist keine Zündungsverstellung, es wird kein Gemisch reguliert, keine Traktionskontrolle,
keine Schneeschiebeeinrichtung oder sonstige Spielereien versteckt.
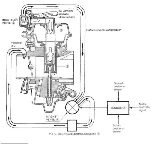
Hier hatte ich ja ein Bildchen zugefügt:
http://www.xf650.de/forum3/download/fil ... &mode=view
Das Steuergerät bekommt drei Signale:
1. eingelegter Gang
2. Drosselklappenstellung
3. Drehzahl
Befindet sich der Motor im zweiten oder dritten Gang, öffnet das Steuergerät ab einer bestimmten Drehzahl
das Magnetventil des Drosselsystems, das Schläuchl am Ansaugstutzen zieht Unterdruck, die Hubsteuerventile machen auf,
die Vergaser-Membranen brechen durch fehlenden Unterdruck zusammen, dem Motor geht die Puste aus und
das war auch schon der ganze Hüttenzauber! Die schwarze Dose ist nur ein Ausgleichsbehälter.
Stecker am Magnetventil ziehen reicht vollkommen, von mir aus vom Gangsensor auch noch, aber ein G-Pack für teures Geld nur
um dem Steuergerät einen hohen Gang vorzugaukeln ist doch absoluter Quatsch.
Das Unterdruckgeraffels hab ich komplett weggebaut, um mir nicht irgendwann ´nen Fehlerwolf suchen zu müssen, nur weil die Schläuche
porös werden und Falschluft durchlassen. Umgebaut habe ich in dem Sinn nichts, aber man muss ja die zwei offenen Unterdruckkanäle
an den Ansaugstutzen verschliessen.
Die CCM im zweiten Gang auf´s Hinterrad zu bringen schafft dennoch nur ein größeres Kettenrad, da die Leistung ja wirklich nur
in den obersten Drehzahlen gekappt wird und da wheelt ja, weil einfach zu wenig Dampf, kein Mensch.
Der Beitrag mit der fehlenden Leistung bei meiner bezog sich nicht auf einen Unterdruckschlauch dieses Systems, sondern wegen
dem Schlauch über den die Schwimmerkammern "atmen".
Gruß Markus
-
SupermotoFetischist
- Benutzer

- Beiträge: 25
- Registriert: 9. Apr 2021, 17:08
- Wohnort: Hoppegarten
Re: CCM R30 Sportauspuff
Ist die akrapovic Anlage überhaupt zulässig an der ccm 644 r30 SuMo?maxp4 hat geschrieben: 27. Aug 2015, 07:48 Was is`n Hensler?![]()
Aber ja Du hast Recht. Ist halt ein Exot. Bei ABP gibt's was von Akrapovic für 749€...
Das ist mir aber echt zu heftig.![]()
-
SupermotoFetischist
- Benutzer

- Beiträge: 25
- Registriert: 9. Apr 2021, 17:08
- Wohnort: Hoppegarten
Re: CCM R30 Sportauspuff
Kriege ich die heckseitenverkleidung bei meiner auch ran, ich sende dir mal ein paar Bilder, vieleicht habe ich ja den selben Rahmen, mir gefällt deine verkleidung hinten besser, das erinnert mehr an Rennsport.MaSc73 hat geschrieben: 30. Aug 2015, 17:21 Was ist denn bei deiner verbaut?
Bei unserer ist der originale CCM-Topf von Remus drauf, der macht schon ordentlich Musik!
Das gute an dem Verbindungsrohr der CCM ist das es das gängige Aussenmaß von 52mm hat.
Damit passen ein Haufen Tüten auf die CCM, z.B. von GPR, MSR, Remus, LeoVince usw.
Einen speziell mit einer Zulassung für die CCM zu finden ist schwierig und/oder teuer.
Aber wenn interessiert das schon? Die Engländer machen gerne Töpfe von Quill auf die Kiste,
aber damit wird sie unüberhörbar.
Originaltopf:
DSC_0564.jpg
Ich hab den Alu-GPR vom Hessler an meiner DR, der macht schon ordentlich Krawall:
http://www.dr-big-shop.de/650_Auspuff_872.html
-
SupermotoFetischist
- Benutzer

- Beiträge: 25
- Registriert: 9. Apr 2021, 17:08
- Wohnort: Hoppegarten
Re: CCM R30 Sportauspuff
Von wo genau nimmt der Tacho die Drehzahl und welche Kabel sind dafür zuständig??Knüppi hat geschrieben: 21. Sep 2015, 12:39 Funktioniert problemlos, UPM können am Zündkabel abgenommen werden oder am Kabelbaum, für die Geschwindigkeit ein Hallgeber (ggf. dazukaufen), Lämpchen können direkt angeschlossen werden > siehe Schaltplan XF.
Ich habe einen kombinierten T&T verbaut.
Mein Drehzahlmesser funktioniert nämlich nicht und ich weiß nicht so richtig was ich machen soll. :/


