Ccm 644 r30 Elektronik

Für Beemer, Banditen, GSR-Treiber, Tiger-Bändiger und andere
Antworten
SupermotoFetischist
Benutzer
Benutzer
Beiträge: 25
Registriert: 9. Apr 2021, 17:08
Wohnort: Hoppegarten

Ccm 644 r30 Elektronik

Beitrag von SupermotoFetischist »

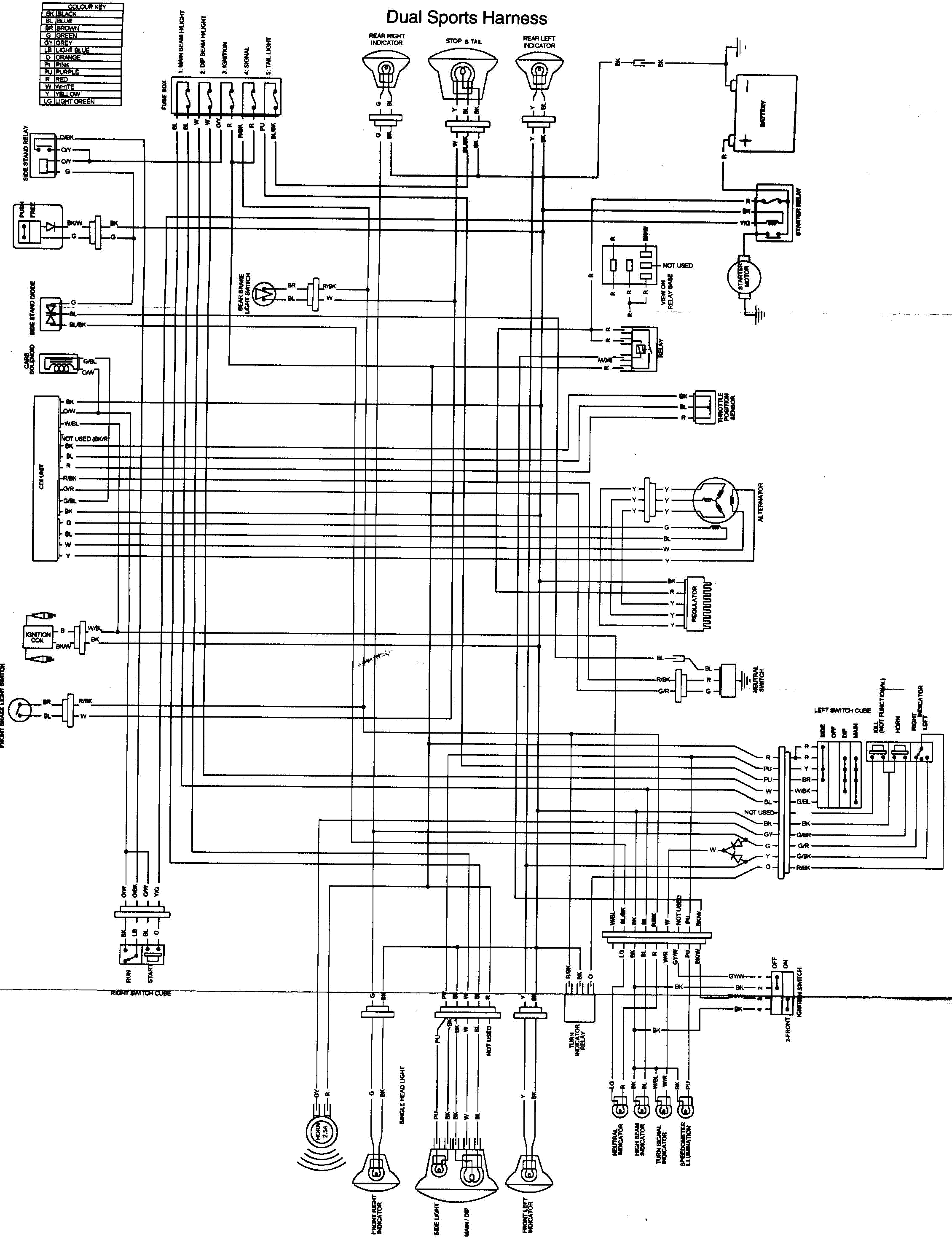
Guten Tag meine lieben, ich stehe vor einem Problem mit der Elektronik und leider ist das auch TÜV relevant. Kann mir einer sagen wo ich einen gut lesbaren Schaltplan herbekomme?
Benutzeravatar
AoS
Site Admin
Site Admin
Beiträge: 1916
Registriert: 27. Jun 2006, 20:58
Wohnort: Köln

Re: Ccm 644 r30 Elektronik

Beitrag von AoS »

Der Schaltplan kann ja nicht so grundsätzlich anders sein als jener für die Freewind. Sag mal genauer, was dein Problem ist.
Schönste Freewind der Welt:
http://www.lucasmatic.de
Benutzeravatar
AoS
Site Admin
Site Admin
Beiträge: 1916
Registriert: 27. Jun 2006, 20:58
Wohnort: Köln

Re: Ccm 644 r30 Elektronik

Beitrag von AoS »

11.png
12.png
Schönste Freewind der Welt:
http://www.lucasmatic.de
110515
Spezialist
Spezialist
Beiträge: 549
Registriert: 21. Mai 2015, 12:21
Wohnort: Hannover

Re: Ccm 644 r30 Elektronik

Beitrag von 110515 »

Moin Leute!

Nun habe auch ich ein elektrisches Problem an meiner CCM R30: Es blinkt nicht.

Beim Ausbau des abgebrochenen, aber noch blinkenden Blinkers hinten habe ich aus Versehen bei eingeschalteten Blinker dessen Plus- und Minuskabel kurzgeschlossen. :roll: Jo, ziemlich unschlau. Jedenfalls hat sich zuerst das Blinkintervall stark verkürzt (Relais klickt schnell), einige Sekundenbruchteile später hat es dann kurz dauerhaft "gesummt" und unmittelbar darauf konnte ich überhaupt nicht mehr blinken. Ich dachte, es hätte eine Sicherung durchbrennen lassen. Dafür sind diese schließlich da. Die Sicherungen sind jedoch alle in Ordnung.

Also den von AoS zur Verfügung gestellten Schaltplan (DANKE!!!) zu Rate gezogen... Leider auch nach stundenlangem Durchmessen der Karre erfolglos. Nun hoffe ich auf euren Ratschlag. Mit der Elektrik kenne ich mich nur grob aus.

IMG_20210727_200412[1].jpg

Ich habe die im Bild markierten Relais alle drei ausgebaut und überprüft. Auch ein Austausch untereinander (sind alle baugleich) zeigte, dass sie alle intakt sind und an anderer Stelle einwandfrei funktionieren. Zündung geht, Starter geht, Licht geht - alles bis auf die verflixten Blinker.

Letzter Verdächtiger: Der Blinkerschalter. Diesen konnte ich bisher nur teilweise zerlegen, da eine ganz tolle :roll: :roll: Messingschraube rundgedreht wurde :roll: :roll:
Wäre ein defekter Blinkschalter eine Erklärung? Beim Ein- sowie Ausschalten des Blinkers klackt das Blinkrelais jedoch einmal leise, daher gehe ich eigentlich nicht wirklich von einem defekten Schalter aus.

Ich bin mit meinem Latein am Ende.
ruhri
Spezialist
Spezialist
Beiträge: 1242
Registriert: 28. Jun 2006, 22:01
Wohnort: Mülheim an der Ruhr

Re: Ccm 644 r30 Elektronik

Beitrag von ruhri »

Hi,

das kannst du am Ausgang des Blinkgebers/-relais (im Schaltplan schwarz markiert) prüfen. Ohne Zündung den Widerstand zwischen dem Ausgang und Masse messen: In Mittelstellung: unendlicher Widerstand, bei rechts oder links: ungefähr gleicher, geringer Widerstand.

Ich würde darauf tippen, dass der Blinkgeber den Kurzschluss nicht überstanden hat.

Gruß
ruhri
110515
Spezialist
Spezialist
Beiträge: 549
Registriert: 21. Mai 2015, 12:21
Wohnort: Hannover

Re: Ccm 644 r30 Elektronik

Beitrag von 110515 »

Ja das hätte ich auch vermutet. An anderer Stelle funktioniert das Relais zwar noch, aber wer weiß, vielleicht hat es einfach "verlernt" zu takten? Ich messe das auf jeden Fall so wie du gesagt hast nochmal, wenn ich mehr als zwei Hände zur Verfügung habe :lol: Versucht hatte ich das bereits, nur bin ich mir nicht sicher, die Kontakte bei weit ausgestreckten Armen 100% richtig erwischt zu haben.

Ich würde als nächsten Schritt einfach auf Verdacht alle drei Relais tauschen. Wär zwar schade um die paar Euro, aber die Hoffnung, die Hoffnung.... :streichel:
110515
Spezialist
Spezialist
Beiträge: 549
Registriert: 21. Mai 2015, 12:21
Wohnort: Hannover

Re: Ccm 644 r30 Elektronik

Beitrag von 110515 »

ruhri hat geschrieben: 27. Jul 2021, 22:00 Ich würde darauf tippen, dass der Blinkgeber den Kurzschluss nicht überstanden hat.
Gut, jetzt nochmal für die ganz doofen: Der Blinkgeber ist doch auch nur eins von den drei Relais, nicht wahr?
Benutzeravatar
snailie
Spezialist
Spezialist
Beiträge: 745
Registriert: 19. Mai 2016, 18:33
Wohnort: Wuppertal
Kontaktdaten:

Re: Ccm 644 r30 Elektronik

Beitrag von snailie »

Ich behaupte, es ist nicht einfach "eins von den dreien", sondern eben "DAS" Blinkerrelais. AFAIK kann man die Dinger nicht einfach untereinander tauschen, auch wenn sie von außen vielleicht gleich aussehen und gleich angeordnete Pins haben. Das lnnenleben ist anders, weil jedes Relais seinen eigenen Einsatzzweck hat.
Zuletzt geändert von snailie am 31. Jul 2021, 20:18, insgesamt 1-mal geändert.
...still out here in the wind and rain ~ I look a little older but I feel no pain...
1998 XF650 ~ 2004 GS500F ~ 1994 GS500E ... 4 life!!!
.::Snailie, die Schrauberschnecke::.
110515
Spezialist
Spezialist
Beiträge: 549
Registriert: 21. Mai 2015, 12:21
Wohnort: Hannover

Re: Ccm 644 r30 Elektronik

Beitrag von 110515 »

...wenn doch aber die aufgedruckte Seriennummer bis zur letzten Ziffer die selbe ist?
110515
Spezialist
Spezialist
Beiträge: 549
Registriert: 21. Mai 2015, 12:21
Wohnort: Hannover

Re: Ccm 644 r30 Elektronik

Beitrag von 110515 »

Ja, Fehler gefunden :roll:

Keines der drei Relais ist das richtige. Der Blinkgeber sitzt noch wieder wo anders und ist tatsächlich gänzlich anders aufgebaut. Das, was ich zuvor für den Blinkgeber hielt, schaltet in Wirklichkeit das Fernlicht - und auch nur dieses. Das war mir nicht aufgefallen, da das Abblendlicht auch ohne funktionierte.

Danke euch für die Tipps! Ich bestelle ein neues Relais, gehe aber fest davon aus, dass das Problem so gelöst sein sollte. :streichel:
Benutzeravatar
snailie
Spezialist
Spezialist
Beiträge: 745
Registriert: 19. Mai 2016, 18:33
Wohnort: Wuppertal
Kontaktdaten:

Re: Ccm 644 r30 Elektronik

Beitrag von snailie »

Hut ab, ein extra Relais fürs Fernlicht, nicht schlecht! Das ist sogar sinnstiftend. :lol: Jetzt, wo du es sagst, fällt mir auch auf dem Schaltplan auf, daß da noch ein Relais mehr drin ist. :P
...still out here in the wind and rain ~ I look a little older but I feel no pain...
1998 XF650 ~ 2004 GS500F ~ 1994 GS500E ... 4 life!!!
.::Snailie, die Schrauberschnecke::.
110515
Spezialist
Spezialist
Beiträge: 549
Registriert: 21. Mai 2015, 12:21
Wohnort: Hannover

Re: Ccm 644 r30 Elektronik

Beitrag von 110515 »

Habe ich bereits erwähnt, dass mir Elektrik nicht liegt? Dann doch lieber die Theorie dahinter, aka Elektrotechnik aus dem Studium :lol: Oder eben alles, das man mechanisch nennen darf. :streichel:
110515
Spezialist
Spezialist
Beiträge: 549
Registriert: 21. Mai 2015, 12:21
Wohnort: Hannover

Re: Ccm 644 r30 Elektronik

Beitrag von 110515 »

So, um dieses Thema endlich (für mich) abschließen zu können:

Es war ein defekter Blinkgeber. Dieser befindet sich an einer so offensichtlichen Position, dass ich einfach keine Chance hatte, ihn zu entdecken.

Was jedoch noch viel interessanter ist: Die Ursache des Problems war tatsächlich kein Montagefehler meinerseits. Der Blinkgeber ist in dem Moment durchgeschmort, als ich den hinteren rechten (!) Blinker vom Stecker abzog. Nach der heutigen Montage des neuen Gebers blinkte es links ganz normal. Die rechte Seite hingegen blinkte schneller, so als sei eine der beiden rechten Birnen durch. Merkwürdigerweise leuchteten jedoch alle beide auf. Da war ich tatsächlich mehr als eine Minute völlig ratlos, bis es mir schießlich wie Schuppen von den Augen fiel: Die Last auf der Seite ist einfach zu gering. Deutlich zu gering, um genau zu sein. Mindesten eine der Birnen musste eine falsche Leistung haben. Die hintere hatte ich ja selbst erst vor kurzem eingebaut. Also die vordere in Augenschein genommen.Diese hatte ich letztens aufgrund zu festen Sitzes nicht gleich mit getauscht, wie es eigentlich der Plan war. Mithilfe zweier Zangen konnte ich die 4 Watt Birne schlusssendlich aus der physisch nicht passenden Fassung für 21 Watt Birnen herauswürgen.

Der Vorbesitzer war einfach zu blöd, die richtige Blinkerbirne zu verbauen. :roll: Er hat sie mit roher Gewalt in die Fassung geklemmt. Der Blinkgeber war scheinbar intelligent genug, auch bei 25 Watt Gesamtlast auf einer Seite noch zu funktionieren. 4 Watt hingegen waren dann einfach zu viel des Guten. Pardon, zu wenig, selbstverständlich. :streichel:
Antworten