Die Suche ergab 1894 Treffer

von AoS
10. Okt 2024, 08:52
Forum: Sonstige Maschinen
Thema: 1. Probefahrt
Antworten: 6
Zugriffe: 9031

Re: 1. Probefahrt

... fast 200.000 klicks in diesem Forum erzeugt...
Und genau darin liegt der zentrale Trugschluss: zu glauben, dass das irgendjemand anderen interessieren würde.

Also viel Spaß auf Instagram oder anderen Selbstdarstellunsplattformen.
von AoS
17. Dez 2023, 12:10
Forum: Dies & Das
Thema: Account gehackt
Antworten: 1
Zugriffe: 7384

Re: Account gehackt

Durch eine fehlerhafte Einstellung konnten User persönliche Nachrichten an alle Benutzer des Forums versenden. Diese Möglichkeit habe ich nun deaktiviert.

Dirk
von AoS
15. Dez 2023, 22:33
Forum: Thema Forum
Thema: Fehlgeleitete PNs
Antworten: 12
Zugriffe: 198178

Re: Fehlgeleitete PNs

Ich habe übrigens 549(!) Benachrichtigungen darüber erhalten, dass die Mail-Adresse eines Users nicht mehr existiert.
von AoS
15. Dez 2023, 18:56
Forum: Thema Forum
Thema: Fehlgeleitete PNs
Antworten: 12
Zugriffe: 198178

Re: Fehlgeleitete PNs

Acacius hat geschrieben: 15. Dez 2023, 18:39 Naja, alle registrierten Benutzer haben wohl aus versehen die selbe Privatnachricht (und in meinem Falle auch die enstrpechende Email-Benachrichtigung) bekommen.
Genau so ist es gelaufen, der User hat sich wohl einfach verklickt. Aber interressant, dass diese Funktion zuvor nie ein Problem war.
von AoS
15. Dez 2023, 18:36
Forum: Thema Forum
Thema: Fehlgeleitete PNs
Antworten: 12
Zugriffe: 198178

Fehlgeleitete PNs

Durch eine fehlerhafte Einstellung konnten User persönliche Nachrichten an alle Benutzer des Forums versenden. Diese Möglichkeit habe ich nun deaktiviert.

Dirk
von AoS
4. Okt 2021, 09:44
Forum: Suzuki XF650 Freewind
Thema: Zusätzliches LED Bremslicht nachrüsten
Antworten: 19
Zugriffe: 11116

Re: Zusätzliches LED Bremslicht nachrüsten

Hast du mal versucht auch eine Diode in die andere Leitung zu löten, also jene vom Rücklicht?

EDIT: Funktioniert überhaupt alles, wenn das originale Rücklicht nicht angeschlossen ist? Nimm mal die Birne raus um zu sehen, ob dann alles wie gewünscht leuchtet. Ohne parallele Glühlampe sollten die ...
von AoS
4. Okt 2021, 07:39
Forum: Suzuki XF650 Freewind
Thema: Zusätzliches LED Bremslicht nachrüsten
Antworten: 19
Zugriffe: 11116

Re: Zusätzliches LED Bremslicht nachrüsten

The problem is caused by having LEDs in parallel to the existing lights.
Right now I'm unable to access the wiring diagram but it should be possible to see why the LEDs can draw current that way.
von AoS
29. Jul 2021, 12:34
Forum: Suzuki XF650 Freewind
Thema: Motor überholen wann?
Antworten: 10
Zugriffe: 7333

Re: Motor überholen wann?

MCRuppi hat geschrieben: 11. Jul 2021, 17:56 Ich weiß nicht warum, aber die suchfunktion filtert jedesmal den Begriff Motor raus wenn ich nach "motor problem" oder so suche. Weiß jemand wie ich das abstellen kann ?
Vielen Dank für den Hinweis, die Suche sollte jetzt wie erwartet funktionieren.
von AoS
13. Mai 2021, 12:23
Forum: Sonstige Maschinen
Thema: Ccm 644 r30 Elektronik
Antworten: 12
Zugriffe: 19978

Re: Ccm 644 r30 Elektronik

11.png
12.png
von AoS
13. Mai 2021, 12:11
Forum: Sonstige Maschinen
Thema: Ccm 644 r30 Elektronik
Antworten: 12
Zugriffe: 19978

Re: Ccm 644 r30 Elektronik

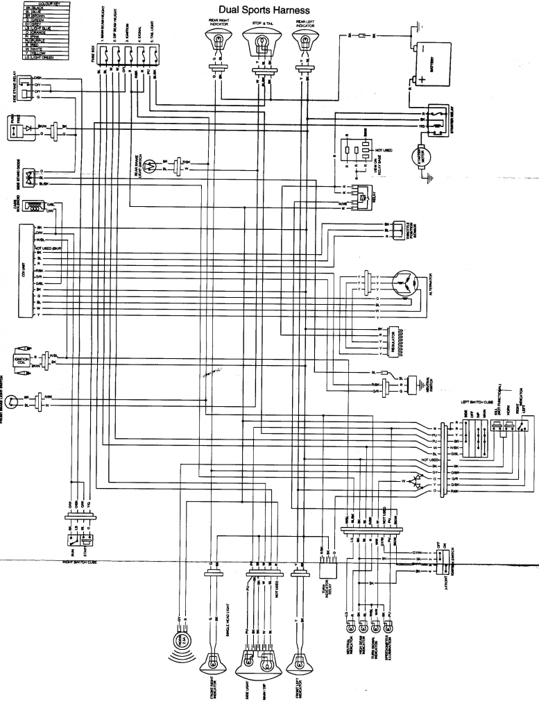
Der Schaltplan kann ja nicht so grundsätzlich anders sein als jener für die Freewind. Sag mal genauer, was dein Problem ist.
von AoS
21. Apr 2021, 10:29
Forum: Umbauten auf XF-Basis
Thema: Enduro XF Sumo Crosser Rally
Antworten: 169
Zugriffe: 129399

Re: Zweitmopped, Enduro XF Sumo Crosser

Schade. Es war leider zu erwarten, du bist ja nicht der erste der versucht einen Kunststofftank zu lackieren und der scheitert.
von AoS
6. Apr 2021, 21:27
Forum: Suzuki XF650 Freewind
Thema: Was ist das für ein Teil
Antworten: 15
Zugriffe: 7581

Re: Was ist das für ein Teil

Nichtraucher hat geschrieben: 6. Apr 2021, 17:42 Die Vergaser der Suzuki haben mehr Ähnlichkeit mit einem Schiebervergaser.
Puh, kann es sein, dass sich dieses Gespräch im Kreis dreht?
von AoS
26. Mär 2021, 20:17
Forum: Umbauten auf XF-Basis
Thema: Enduro XF Sumo Crosser Rally
Antworten: 169
Zugriffe: 129399

Re: Zweitmopped, Enduro XF Sumo Crosser

Mir gefällt wirklich gut, was du da gemacht hast.
von AoS
12. Mär 2021, 02:19
Forum: Umbauten auf XF-Basis
Thema: Koso DB01-RN - Original Geschwindigkeitssignal
Antworten: 7
Zugriffe: 16435

Re: Koso DB01-RN - Original Geschwindigkeitssignal


Vom Tacho kommen ja 3 Kabel:
Rosa
Schwarz weiss (Masse)
Rot orange

Rosa = Signal
Schwarz weiss = Masse
Rot orange = Spannung (12V)

Und laut dieser Quelle arbeitet der Koso mit einer 5V-Spannug , was zu wenig für den Geber der XF sein dürfte. Also musst du diesen wohl mit 12V versorgen. Ob das ...
von AoS
18. Feb 2021, 13:47
Forum: Thema Forum
Thema: Zukunft dieses Forums
Antworten: 31
Zugriffe: 43856

Re: Zukunft dieses Forums

HansiPils hat geschrieben: 17. Feb 2021, 20:07 Ich bin leider dreimal gescheitert. Ich melde mich für eine IBAN per PN.
Mach das, was bei Paypal passiert kann ich leider nicht beeinflussen.

LG, Dirk